 |
 |
|
 |
 |
Приводная техника

Вся продукция сертифицирована. Мы будем рады видеть Вас клиентом нашей компании.

|
|
 |
 |
 |
Редукторы червячные одноступенчатые универсальные типа 2ч 40, 2ч 63, 2ч 80 |
|
 |
 |
Редукторы червячные одноступенчатые универсальные типа 2Ч-40, 2Ч-63, 2Ч-80

Редукторы червячные одноступенчатые универсальные 2ч 40, 2ч 63, 2ч 80 являются редукторами общего назначения и предназначены для изменения крутящего момента и частоты вращения и эксплуатации в микроклиматических районах с умеренным климатом (исполнение У), с сухим и влажным тропическим климатом (исполнение Т) категорий размещения 1, 2, 3, 4 ГОСТ 15150-69. Редукторы обеспечивают крутящие моменты на тихоходном валу от 27 до 260 Н-м, в диапазоне передаточных чисел от 8 до 80.
Редукторы червячные одноступенчатые уневерсальные типа 2Ч выпускаются взамен редукторов типа РЧУ, обладают по отношению к ним повышенной нагрузочной способностью. Конструкция редукторов аналогична конструкции редуктора Ч-80. Отличается отсутствием вентилятора для принудительного охлаждения в редукторах типа 2Ч.
1. Редукторы 2ч 40
2. Редукторы 2ч 63
3. Редукторы 2ч 80
ТЕХНИЧЕСКИЕ УСЛОВИЯ ПРИМЕНЕНИЯ РЕДУКТОРОВ:
-
частота вращения входного вала не более 1800 об/мин;
-
вращение валов в любую сторону;
-
нагрузка постоянная и переменная, одного направления и реверсивная;
-
атмосфера типа I и II по ГОСТ 15150-69 при запыленности воздуха не более 10 мг/м3 ;
-
климатические исполнения У,Т для категорий размещения 1-3 и климатические исполнения УХЛ и О для категорий размещения 4 по ГОСТ 15150-69.
Основные технические характеристики червячных одноступенчатых редукторов типа 2Ч-40, 2Ч-63, 2Ч-80:
i ном |
Редуктор 2Ч-40 |
Редуктор 2Ч-63 |
Редуктор 2Ч-80 |
Мкр ,Н .м |
КПД |
Мкр ,Н .м |
КПД |
Мкр ,Н .м |
КПД |
8 |
32 |
0,87 |
120 |
0,89 |
230 |
0,90 |
10 |
32 |
0,85 |
110 |
0,88 |
210 |
0,89 |
12,5 |
28 |
0,83 |
100 |
0,88 |
200 |
0,88 |
16 |
36 |
0,81 |
140 |
0,84 |
260 |
0,85 |
20 |
35 |
0,76 |
120 |
0,83 |
240 |
0,83 |
25 |
30 |
0,73 |
110 |
0,81 |
220 |
0,82 |
31,5 |
40 |
0,70 |
150 |
0,74 |
280 |
0,77 |
40 |
36 |
0,63 |
130 |
0,73 |
260 |
0,72 |
50 |
32 |
0,60 |
120 |
0,68 |
240 |
0,71 |
63 |
28 |
0,58 |
100 |
0,62 |
210 |
0,64 |
80 |
20 |
0,53 |
90 |
0,60 |
180 |
0,61 |
i ном - номинальное передаточное число;
Мкр - номинальный крутящий момент.

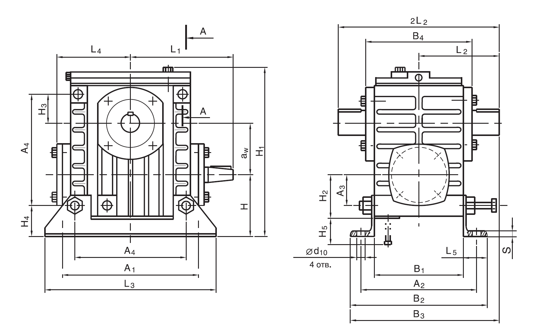
РИС 1.
Габаритные и присоединительные размеры
| Типоразмер редуктора |
aw |
A1 |
A2 |
A3 |
A4 |
B1 |
B2 |
B3 |
B4 |
H |
H1 |
H2 |
H3 |
H4 |
2Ч40 |
40 |
150 |
140 |
35 |
105 |
100 |
164 |
182 |
120 |
72 |
180 |
55 |
30 |
37 |
2Ч63 |
63 |
180 |
165 |
42 |
150 |
125 |
197 |
219 |
145 |
82 |
225 |
59 |
45 |
40 |
2Ч80 |
80 |
225 |
185 |
50 |
180 |
140 |
212 |
250 |
165 |
92 |
267 |
75 |
50 |
42 |
Типоразмер редуктора |
H5 |
L1 |
L2 |
L3 |
L4 |
L5 |
b1 |
b2 |
d1 |
d2 |
d3 |
d4 |
2Ч40 |
115 |
100 |
90 |
180 |
75 |
32 |
3 |
6 |
16 |
18 |
14,6 |
М5 |
2Ч63 |
155 |
145 |
120 |
220 |
100 |
36 |
4 |
8 |
22 |
28 |
20,2 |
М8 |
2Ч80 |
190 |
160 |
145 |
260 |
120 |
36 |
5 |
10 |
25 |
35 |
22,9 |
М8 |
Типоразмер редуктора |
d5 |
d6 |
d7 |
d8 |
d9 |
d10 |
h1 |
h2 |
l1 |
l2 |
l3 |
l4 |
l5 |
l6 |
2Ч40 |
М5 |
10,5 |
16 |
23 |
60 |
13 |
3 |
6 |
28 |
28 |
15 |
15 |
8 |
72 |
2Ч63 |
М8 |
10,5 |
16 |
33 |
70 |
13 |
4 |
7 |
36 |
42 |
20 |
20 |
8 |
68 |
2Ч80 |
М8 |
12,5 |
18 |
41 |
90 |
15 |
5 |
8 |
42 |
58 |
20 |
20 |
8 |
64 |
| Типоразмер редуктора |
l7 |
l8 |
s |
t1
|
t2 |
эвольвентные шлицы ГОСТ 6033-80 |
объем масла,л |
масса,кг |
2Ч40 |
20 |
112 |
4 |
1,8 |
14,5 |
22х1,5х7Н |
0,18…0,3 |
6,7 |
2Ч63 |
20 |
108 |
5 |
2,5 |
24 |
32х1,5х8Н |
0,3…0,7 |
13,1 |
2Ч80 |
26 |
116 |
5 |
3 |
30 |
40х1,5х8Н |
0,5…1,0 |
18,6 |


РИС 1.
Размеры входного и выходного вала
Варианты сборки червячных одноступенчатых редукторов типа 2Ч-40, 2Ч-63, 2Ч-80:

ПРИМЕР УСЛОВНОГО ОБОЗНАЧЕНИЯ ПРИ ЗАКАЗЕ:
Редуктор 2Ч-80-31,5-56-2-У2 С, где:
-
2Ч - тип редуктора;
-
80 - межосевое расстояние;
-
31,5 - номинальное передаточное число;
-
56 - исполнение по варианту сборки по ГОСТ 20373-80;
-
2 - исполнение по схеме расположения червячной пары;
-
У2 - исполнение для умеренного климата, категории размещения 2 по ГОСТ 15150-69;
-
С - индекс, определяющий наличие смазки "Трансол-200" в редукторе.
Приводная техника (мотор-редукторы, преобразователи частоты и устройства плавного пуска) отправляется покупателю транспортной компанией. По всем вопросам обращаться в офис.
Мы всегда рады видеть у себя наших старых партнеров и ждем новых.
Доставка во все регионы России!
|
 |
 |
|
|