 |
 |
|
 |
 |
Приводная техника

Вся продукция сертифицирована. Мы будем рады видеть Вас клиентом нашей компании.

|
|
 |
 |
 |
Мотор-редукторы червячные одноступенчатые Chiaravalli CHM |
|
 |
 |
Мотор-редукторы червячные одноступенчатые CHM

Червячные редукторы производства Chiaravalli Trasmissioni SpA (Италия) пригодны для разнообразных типов монтажа. Постоянный контроль на всех стадиях производства обеспечивает наилучшее качество редукторов. Корпусы редукторов размеров от 025 до 090 - алюминиевые, размеров 110 и 130 - чугунные.
Все изделия покрашены аллюминиевой краской RAL 9022 для защиты деталей от износа и возникновения микротрещин корпуса.
Редукторы снабжены по меньшей мере одной заливной горловиной, которая используется в т.ч. и для тестирования возможных протечек масла.
Соединительные фланцы позволяют комбинировать 2 редуктора для получения более высоких передаточных чисел.
CHM характеристики с четырехполюсным электродвигателем - 1400 оборотов на входе
| типоразмер редуктора |
передаточное число, i |
число оборотов на выходе, n2 (рад/мин) |
мощность двигателя, P1 (кВ) |
крутящий момент, T2 (нМ) |
сервис фактор, f.s. |
| CHM 025 |
7.5 |
186.7 |
0.09 |
3.8 |
2.8 |
| 10 |
140.0 |
0.09 |
5 |
2.4 |
| 15 |
93.3 |
0.09 |
7.2 |
1.6 |
| 20 |
70.0 |
0.09 |
9 |
1.3 |
| 25 |
56.0 |
0.09 |
10 |
1.0 |
| 30 |
46.7 |
0.09 |
12.3 |
1.1 |
| 40 |
35.0 |
0.09 |
13 |
1.0 |
| 50 |
28.0 |
0.09 |
14 |
0.7 |
| 60 |
23.3 |
0.09 |
14 |
0.6 |
|
| типоразмер редуктора |
передаточное число, i |
число оборотов на выходе, n2 (рад/мин) |
мощность двигателя, P1 (кВ) |
крутящий момент, T2 (нМ) |
сервис фактор, f.s. |
| CHM 030 |
7.5 |
186.7 |
0.22 |
9 |
2.1 |
| 10 |
140.0 |
0.22 |
11 |
1.6 |
| 15 |
93.3 |
0.22 |
16 |
1.0 |
| 20 |
70.0 |
0.22 |
20 |
0.9 |
| 25 |
56.0 |
0.18 |
20 |
1.0 |
| 30 |
46.7 |
0.18 |
22 |
0.9 |
| 40 |
35.0 |
0.18 |
21 |
0.8 |
| 50 |
28.0 |
0.18 |
19 |
0.8 |
| 60 |
23.3 |
0.09 |
18 |
0.9 |
| 80 |
17.5 |
0.09 |
13 |
0.9 |
|
| типоразмер редуктора |
передаточное число, i |
число оборотов на выходе, n2 (рад/мин) |
мощность двигателя, P1 (кВ) |
крутящий момент, T2 (нМ) |
сервис фактор, f.s. |
| CHM 075 |
7.5 |
186.7 |
4.00 |
180 |
1.0 |
| 10 |
140.0 |
4.00 |
237 |
0.8 |
| 15 |
93.3 |
3.00 |
260 |
0.8 |
| 20 |
70.0 |
1.50 |
167 |
1.2 |
| 25 |
56.0 |
1.50 |
204 |
1.0 |
| 30 |
46.7 |
1.50 |
232 |
1.0 |
| 40 |
35.0 |
1.10 |
214 |
1.0 |
| 50 |
28.0 |
0.75 |
176 |
1.2 |
| 60 |
23.3 |
0.75 |
199 |
1.0 |
| 80 |
17.5 |
0.55 |
178 |
1.1 |
| 100 |
14.0 |
0.55 |
203 |
0.9 |
|
| типоразмер редуктора |
передаточное число, i |
число оборотов на выходе, n2 (рад/мин) |
мощность двигателя, P1 (кВ) |
крутящий момент, T2 (нМ) |
сервис фактор, f.s. |
| CHM 040 |
7.5 |
186.7 |
0.55 |
22 |
1.6 |
| 10 |
140.0 |
0.55 |
30 |
1.4 |
| 15 |
93.3 |
0.55 |
44 |
0.9 |
| 20 |
70.0 |
0.55 |
38 |
1.0 |
| 25 |
56.0 |
0.37 |
45 |
0.9 |
| 30 |
46.7 |
0.37 |
52 |
0.8 |
| 40 |
35.0 |
0.25 |
43 |
0.9 |
| 50 |
28.0 |
0.22 |
44 |
0.9 |
| 60 |
23.3 |
0.18 |
42 |
0.8 |
| 80 |
17.5 |
0.18 |
36 |
0.8 |
| 100 |
14.0 |
0.18 |
35 |
0.8 |
|
| типоразмер редуктора |
передаточное число, i |
число оборотов на выходе, n2 (рад/мин) |
мощность двигателя, P1 (кВ) |
крутящий момент, T2 (нМ) |
сервис фактор, f.s. |
| CHM 090 |
7.5 |
186.7 |
4.00 |
184 |
1.5 |
| 10 |
140.0 |
4.00 |
242 |
1.3 |
| 15 |
93.3 |
4.00 |
351 |
1.1 |
| 20 |
70.0 |
4.00 |
456 |
0.8 |
| 25 |
56.0 |
3.00 |
417 |
0.8 |
| 30 |
46.7 |
3.00 |
478 |
0.9 |
| 40 |
35.0 |
1.50 |
306 |
1.2 |
| 50 |
28.0 |
1.50 |
367 |
1.0 |
| 60 |
23.3 |
1.50 |
421 |
0.8 |
| 80 |
17.5 |
0.75 |
257 |
1.1 |
| 100 |
14.0 |
0.75 |
300 |
0.9 |
|
| типоразмер редуктора |
передаточное число, i |
число оборотов на выходе, n2 (рад/мин) |
мощность двигателя, P1 (кВ) |
крутящий момент, T2 (нМ) |
сервис фактор, f.s. |
| CHM 050 |
7.5 |
186.7 |
0.75 |
33.3 |
2.0 |
| 10 |
140.0 |
0.75 |
43.9 |
1.6 |
| 15 |
93.3 |
0.75 |
62.6 |
1.2 |
| 20 |
70.0 |
0.75 |
80 |
0.9 |
| 25 |
56.0 |
0.55 |
70 |
1.0 |
| 30 |
46.7 |
0.55 |
80 |
1.0 |
| 40 |
35.0 |
0.37 |
67 |
1.1 |
| 50 |
28.0 |
0.37 |
78 |
0.9 |
| 60 |
23.3 |
0.37 |
87 |
0.8 |
| 80 |
17.5 |
0.25 |
70 |
0.9 |
| 100 |
14.0 |
0.18 |
59 |
0.9 |
|
| типоразмер редуктора |
передаточное число, i |
число оборотов на выходе, n2 (рад/мин) |
мощность двигателя, P1 (кВ) |
крутящий момент, T2 (нМ) |
сервис фактор, f.s. |
| CHM 110 |
7.5 |
186.7 |
7.50 |
344 |
1.6 |
| 10 |
140.0 |
7.50 |
453 |
1.3 |
| 15 |
93.3 |
7.50 |
659 |
1.0 |
| 20 |
70.0 |
5.50 |
635 |
1.0 |
| 25 |
56.0 |
4.00 |
573 |
1.2 |
| 30 |
46.7 |
4.00 |
645 |
1.1 |
| 40 |
35.0 |
3.00 |
636 |
1.1 |
| 50 |
28.0 |
3.00 |
764 |
0.9 |
| 60 |
23.3 |
2.20 |
645 |
1.0 |
| 80 |
17.5 |
1.50 |
546 |
0.9 |
| 100 |
14.0 |
1.10 |
470 |
1.0 |
|
| типоразмер редуктора |
передаточное число, i |
число оборотов на выходе, n2 (рад/мин) |
мощность двигателя, P1 (кВ) |
крутящий момент, T2 (нМ) |
сервис фактор, f.s. |
| CHM 063 |
7.5 |
186.7 |
1.50 |
67.4 |
1.8 |
| 10 |
140.0 |
1.50 |
88.6 |
1.4 |
| 15 |
93.3 |
1.50 |
126 |
1.1 |
| 20 |
70.0 |
1.50 |
164 |
0.8 |
| 25 |
56.0 |
1.10 |
145 |
0.9 |
| 30 |
46.7 |
1.10 |
165 |
1.0 |
| 40 |
35.0 |
0.75 |
143 |
1.0 |
| 50 |
28.0 |
0.55 |
122 |
1.1 |
| 60 |
23.3 |
0.55 |
138 |
0.9 |
| 80 |
17.5 |
0.37 |
114 |
1.1 |
| 100 |
14.0 |
0.37 |
127 |
0.9 |
|
| типоразмер редуктора |
передаточное число, i |
число оборотов на выходе, n2 (рад/мин) |
мощность двигателя, P1 (кВ) |
крутящий момент, T2 (нМ) |
сервис фактор, f.s. |
| CHM 130 |
7.5 |
186.7 |
7.50 |
348 |
2.2 |
| 10 |
140.0 |
7.50 |
455 |
1.8 |
| 15 |
93.3 |
7.50 |
660 |
1.2 |
| 20 |
70.0 |
7.50 |
877 |
1.0 |
| 25 |
56.0 |
7.50 |
1071 |
0.9 |
| 30 |
46.7 |
7.50 |
1225 |
0.8 |
| 40 |
35.0 |
5.50 |
1173 |
0.9 |
| 50 |
28.0 |
4.00 |
1023 |
0.9 |
| 60 |
23.3 |
3.00 |
886 |
1.1 |
| 80 |
17.5 |
3.00 |
1112 |
0.8 |
| 100 |
14.0 |
1.50 |
652 |
1.1 |
|
Пример заказа: 
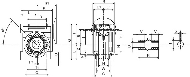
Pазмеры редуктора CHM 030-130

Монтажные положения для CHM 030-130
Позиции фланцев выходного вала для CHM 030-130

Размеры фланца для присоединения электродвигателей к CHM 030-130
| Тип |
Фланец двигателя |
С |
I |
E |
7.5 |
10 |
15 |
20 |
25 |
30 |
40 |
50 |
60 |
80 |
100 |
| D |
| CHM 030 |
63B5 |
95 |
115 |
140 |
11 |
11 |
11 |
11 |
11 |
11 |
11 |
11 |
|
|
|
| 63B14 |
60 |
75 |
90 |
| 56B5 |
80 |
100 |
120 |
9 |
9 |
9 |
9 |
9 |
9 |
9 |
9 |
9 |
9 |
|
| 56B14 |
50 |
65 |
80 |
| Тип |
Фланец двигателя |
С |
I |
E |
7.5 |
10 |
15 |
20 |
25 |
30 |
40 |
50 |
60 |
80 |
100 |
| D |
| CHM 040 |
71B5 |
110 |
130 |
160 |
14 |
14 |
14 |
14 |
14 |
14 |
14 |
|
|
|
|
| 71B14 |
70 |
85 |
105 |
| 63B5 |
95 |
115 |
140 |
11 |
11 |
11 |
11 |
11 |
11 |
11 |
11 |
|
|
|
| 63B14 |
60 |
75 |
90 |
| 56B5 |
80 |
100 |
120 |
|
|
|
|
|
|
|
9 |
9 |
9 |
9 |
| Тип |
Фланец двигателя |
С |
I |
E |
7.5 |
10 |
15 |
20 |
25 |
30 |
40 |
50 |
60 |
80 |
100 |
| D |
| CHM 050 |
80B5 |
130 |
165 |
200 |
19 |
19 |
19 |
19 |
19 |
19 |
19 |
|
|
|
|
| 80B14 |
80 |
100 |
120 |
| 71B5 |
110 |
130 |
160 |
14 |
14 |
14 |
14 |
14 |
14 |
14 |
14 |
14 |
14 |
14 |
| 71B14 |
70 |
85 |
105 |
| 63B5 |
95 |
115 |
140 |
|
|
|
|
|
|
11 |
11 |
11 |
11 |
11 |
| Тип |
Фланец двигателя |
С |
I |
E |
7.5 |
10 |
15 |
20 |
25 |
30 |
40 |
50 |
60 |
80 |
100 |
| D |
| CHM 063 |
90B5 |
130 |
165 |
200 |
24 |
24 |
24 |
24 |
24 |
24 |
|
|
|
|
|
| 90B14 |
95 |
115 |
140 |
| 80B5 |
130 |
165 |
200 |
19 |
19 |
19 |
19 |
19 |
19 |
19 |
19 |
19 |
19 |
|
| 80B14 |
80 |
100 |
120 |
| 71B5 |
110 |
130 |
160 |
|
|
|
|
|
|
14 |
14 |
14 |
14 |
14 |
| 71B14 |
70 |
85 |
105 |
| Тип |
Фланец двигателя |
С |
I |
E |
7.5 |
10 |
15 |
20 |
25 |
30 |
40 |
50 |
60 |
80 |
100 |
| D |
| CHM 075 |
100/112B5 |
180 |
215 |
250 |
28 |
28 |
28 |
|
|
|
|
|
|
|
|
| 100/112B14 |
110 |
130 |
160 |
| 90B5 |
130 |
165 |
200 |
24 |
24 |
24 |
24 |
24 |
24 |
24 |
24 |
|
|
|
| 90B14 |
95 |
115 |
140 |
| 80B5 |
130 |
165 |
200 |
|
|
|
19 |
19 |
19 |
19 |
19 |
19 |
19 |
19 |
| 80B14 |
80 |
100 |
120 |
| 71B5 |
110 |
130 |
160 |
|
|
|
|
|
|
|
14 |
14 |
14 |
14 |
| Тип |
Фланец двигателя |
С |
I |
E |
7.5 |
10 |
15 |
20 |
25 |
30 |
40 |
50 |
60 |
80 |
100 |
| D |
| CHM 090 |
100/112B5 |
180 |
215 |
250 |
28 |
28 |
28 |
28 |
28 |
28 |
|
|
|
|
|
| 100/112B14 |
110 |
130 |
160 |
| 90B5 |
130 |
165 |
200 |
24 |
24 |
24 |
24 |
24 |
24 |
24 |
24 |
24 |
|
|
| 90B14 |
95 |
115 |
140 |
| 80B5 |
130 |
165 |
200 |
|
|
|
|
|
|
19 |
19 |
19 |
19 |
19 |
| 80B14 |
80 |
100 |
120 |
| Тип |
Фланец двигателя |
С |
I |
E |
7.5 |
10 |
15 |
20 |
25 |
30 |
40 |
50 |
60 |
80 |
100 |
| D |
| CHM 110 |
132B5 |
230 |
265 |
300 |
38 |
38 |
38 |
38 |
|
|
|
|
|
|
|
| 100/112B5 |
180 |
215 |
250 |
28 |
28 |
28 |
28 |
28 |
28 |
28 |
28 |
28 |
|
|
| 100/112B14 |
110 |
130 |
160 |
| 90B5 |
130 |
165 |
200 |
|
|
|
|
|
|
24 |
24 |
24 |
24 |
24 |
| Тип |
Фланец двигателя |
С |
I |
E |
7.5 |
10 |
15 |
20 |
25 |
30 |
40 |
50 |
60 |
80 |
100 |
| D |
| CHM 130 |
132B5 |
230 |
265 |
300 |
38 |
38 |
38 |
38 |
38 |
38 |
38 |
|
|
|
|
| 100/112B5 |
180 |
215 |
250 |
|
|
|
|
|
28 |
28 |
28 |
28 |
28 |
28 |
| 100/112B14 |
110 |
130 |
160 |
| 90B5 |
130 |
165 |
200 |
|
|
|
|
|
|
|
|
|
24 |
24 |
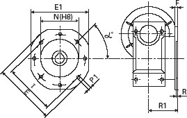
Размеры фланцев выходного вала для CHM 030-130

| Тип |
R1 |
F |
R |
N |
I |
P1 |
E |
E1 |
α° |
| CHM 030 |
FA |
| 54.5 |
6 |
4 |
50 |
68/72* |
6.5(n°4) |
80 |
70 |
45° |
| Тип |
R1 |
F |
R |
N |
I |
P1 |
E |
E1 |
α° |
| CHM 040 |
FA |
| 67 |
7 |
4 |
60 |
75/95* |
9(n°4) |
110 |
95 |
45° |
| FB |
| 97 |
7 |
4 |
60 |
75/95* |
9(n°4) |
110 |
95 |
45° |
| FC |
| 80 |
9 |
5 |
95 |
115 |
9.5(n°4) |
140 |
- |
45° |
| FD |
| 58 |
12 |
5 |
80 |
100/110* |
9(n°4) |
120 |
- |
45° |
| Тип |
R1 |
F |
R |
N |
I |
P1 |
E |
E1 |
α° |
| CHM 050 |
FA |
| 90 |
9 |
5 |
70 |
85/110* |
11(n°4) |
125 |
110 |
45° |
| FB |
| 120 |
9 |
5 |
70 |
85/110* |
11(n°4) |
125 |
110 |
45° |
| FC |
| 89 |
10 |
5 |
110 |
130 |
9.5(n°4) |
160 |
- |
45° |
| FD |
| 72 |
14.5 |
5 |
95 |
115/125* |
11(n°4) |
140 |
- |
45° |
| Тип |
R1 |
F |
R |
N |
I |
P1 |
E |
E1 |
α° |
| CHM 063 |
FA |
| 82 |
10 |
6 |
115 |
150/165* |
11(n°4) |
180 |
142 |
45° |
| FB |
| 112 |
10 |
6 |
115 |
150/165* |
11(n°4) |
180 |
142 |
45° |
| FC |
| 98 |
10 |
5 |
130 |
165 |
11(n°4) |
200 |
- |
45° |
| FD |
| 107 |
10 |
5 |
130 |
165 |
11(n°4) |
200 |
- |
45° |
| FE |
| 80.5 |
16.5 |
5 |
110 |
130/145* |
11(n°4) |
160 |
- |
45° |
| Тип |
R1 |
F |
R |
N |
I |
P1 |
E |
E1 |
α° |
| CHM 075 |
FA |
| 111 |
13 |
6 |
130 |
165/185* |
14(n°4) |
200 |
170 |
45° |
| FB |
| 90 |
13 |
6 |
110 |
130/145* |
14(n°4) |
160 |
- |
45° |
| Тип |
R1 |
F |
R |
N |
I |
P1 |
E |
E1 |
α° |
| CHM 090 |
FA |
| 111 |
13 |
6 |
152 |
175/195* |
14(n°4) |
210 |
200 |
45° |
| FB |
| 122 |
18 |
6 |
180 |
215/230* |
14(n°4) |
160 |
- |
45° |
| FC |
| 110 |
17 |
6 |
130 |
165/185* |
11(n°4) |
200 |
- |
45° |
| FD |
| 151 |
13 |
6 |
152 |
175/195* |
14(n°4) |
210 |
- |
45° |
| Тип |
R1 |
F |
R |
N |
I |
P1 |
E |
E1 |
α° |
| CHM 110 |
FA |
| 131 |
15 |
6 |
170 |
230 |
14(n°8) |
280 |
260 |
45° |
| FB |
| 180 |
15 |
6 |
170 |
230 |
14(n°8) |
280 |
260 |
45° |
| Тип |
R1 |
F |
R |
N |
I |
P1 |
E |
E1 |
α° |
| CHM 130 |
FA |
| 140 |
15 |
6 |
180 |
255 |
16(n°8) |
320 |
290 |
22.5° |
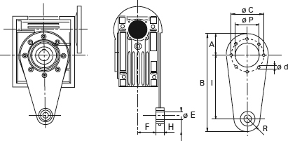
Размеры рычага крутящего момента для CHM 030-130

| Тип |
I |
R |
F |
H |
øE |
A |
B |
øC |
ød |
øP |
№ |
Масса комплекта, кг |
| CHT MV 030 |
85 |
15 |
24 |
14 |
8 |
38 |
138 |
65 |
7 |
55 |
8 |
0.18 |
|
| Без виброустойчивой втулки |
| Тип |
I |
R |
F |
H |
øE |
A |
B |
øC |
ød |
øP |
№ |
Масса комплекта, кг |
| CHT MV 040 |
100 |
18 |
31.5 |
14 |
10 |
44 |
162 |
75 |
7 |
60 |
8 |
0.24 |
|
| Тип |
I |
R |
F |
H |
øE |
A |
B |
øC |
ød |
øP |
№ |
Масса комплекта, кг |
| CHT MV 050 |
100 |
18 |
38.5 |
14 |
10 |
50 |
168 |
85 |
9 |
70 |
8 |
0.27 |
|
| Тип |
I |
R |
F |
H |
øE |
A |
B |
øC |
ød |
øP |
№ |
Масса комплекта, кг |
| CHT MV 063 |
150 |
18 |
49 |
14 |
10 |
55 |
223 |
95 |
9 |
80 |
8 |
0.57 |
|
| Тип |
I |
R |
F |
H |
øE |
A |
B |
øC |
ød |
øP |
№ |
Масса комплекта, кг |
| CHT MV 075 |
200 |
30 |
47.5 |
25 |
20 |
70 |
300 |
115 |
9 |
95 |
8 |
1.10 |
|
| Тип |
I |
R |
F |
H |
øE |
A |
B |
øC |
ød |
øP |
№ |
Масса комплекта, кг |
| CHT MV 090 |
200 |
30 |
57.5 |
25 |
20 |
80 |
310 |
130 |
11 |
110 |
8 |
1.26 |
|
| Тип |
I |
R |
F |
H |
øE |
A |
B |
øC |
ød |
øP |
№ |
Масса комплекта, кг |
| CHT MV 110 |
250 |
35 |
62 |
30 |
25 |
100 |
385 |
165 |
11 |
130 |
8 |
1.92 |
|
| Тип |
I |
R |
F |
H |
øE |
A |
B |
øC |
ød |
øP |
№ |
Масса комплекта, кг |
| CHT MV 130 |
250 |
35 |
69 |
30 |
25 |
125 |
410 |
215 |
14 |
180 |
8 |
2.23 |
|
Приводная техника (мотор-редукторы, преобразователи частоты и устройства плавного пуска) отправляется покупателю транспортной компанией. По всем вопросам обращаться в офис.
Мы всегда рады видеть у себя наших старых партнеров и ждем новых.
Доставка во все регионы России!
|
 |
 |
|
|