 |
 |
|
 |
 |
Приводная техника

Вся продукция сертифицирована. Мы будем рады видеть Вас клиентом нашей компании.

|
|
 |
 |
 |
Редукторы цилиндрические одноступенчатые ЦУ-100, ЦУ-160, ЦУ-200, ЦУ-250 |
|
 |
 |
Одноступенчатый горизонтальный цилиндрический редуктор 1ЦУ-100, 1ЦУ-160, 1ЦУ-200, 1ЦУ-250

Описание:
Редуктор цилиндрический одноступенчатый узкий горизонтальный общемашиностроительного применения типа 1ЦУ-100, 1ЦУ-160, 1ЦУ-200, 1ЦУ-250 предназначен для увеличения крутящего момента и уменьшения частоты вращения.
Условия применения редукторов:
нагрузка постоянная и переменная, одного направления и реверсивная;
работа постоянная или с периодическими остановками;
вращение валов в любую сторону
частота вращения входного вала не должна превышать 1800 об/мин;
атмосфера типов I и II по ГОСТ 15150-69 при запыленности воздуха не более 10 мг/м3;
климатические исполнения У, Т (для категории размещения 1…3) и климатические исполнения УХЛ и О (для категорий размещения 4) по ГОСТ 15150-69.
Примечания:
при работе в реверсивном режиме, т. е. при периодическом изменении направлений нагрузки номинальные крутящие моменты на выходном валу, указанные в таблице, должны быть снижены на 30 %;
редукторы допускают кратковременные перегрузки, возникающие при пусках и остановках двигателя, в 2 раза превышающие номинальные нагрузки, если число циклов нагружения быстроходного вала за время действия этих перегрузок не превысит 3·106 в течение всего срока службы редуктора;
номинальные крутящие моменты на выходном валу, указанные для редукторов 1ЦУ-200 и 1ЦУ-250, передаются при струйной смазке;
номинальная радиальная нагрузка на выходном валу для вариантов сборки 13, 23, 33 и на входном валу — для 31, 32, 33 должна быть уменьшена в два раза;
редукторы сборок 31, 32, 33 изготавливаются и поставляются по согласованию с заводом-изготовителем.
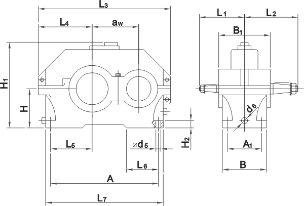
Габаритные и присоединительные размеры:


Габаритные и присоединительные размеры 1ЦУ-100, 1ЦУ-160, 1ЦУ-200, 1ЦУ-250:
Типоразмер редуктора |
аw |
А |
A1 |
В |
B1 |
H |
H1 |
H2 |
L1 |
L2 |
L3 |
L4 |
L5 |
L6 |
ЦУ-100 |
100 |
224 |
95 |
132 |
140 |
112 |
224 |
22 |
136 |
155 |
315 |
132 |
85 |
90 |
ЦУ-160 |
160 |
355 |
125 |
175 |
185 |
170 |
335 |
28 |
218 |
218 |
475 |
195 |
136 |
125 |
ЦУ-200 |
200 |
437 |
136 |
200 |
212 |
212 |
425 |
36 |
230 |
265 |
580 |
236 |
165 |
160 |
ЦУ-250 |
250 |
545 |
185 |
250 |
265 |
265 |
530 |
40 |
280 |
315 |
710 |
290 |
212 |
190 |
Типоразмер редуктора |
L7 |
b1 |
b2 |
d1 |
d2 |
d3 |
d4 |
d5 |
d6 |
d7 |
d8 |
h1 |
h2 |
ЦУ-100 |
265 |
8 |
10 |
25 |
35 |
M16x1,5 |
М20х1,5 |
15 |
M24x1,5 |
40 |
45 |
7 |
8 |
ЦУ-160 |
412 |
14 |
16 |
45 |
55 |
М30х2,0 |
МЗ6х3,0 |
24 |
M24x1,5 |
63 |
75 |
9 |
10 |
ЦУ-200 |
500 |
16 |
20 |
55 |
70 |
М36х3,0 |
М48х3,0 |
24 |
M24x1,5 |
75 |
100 |
10 |
12 |
ЦУ-250 |
615 |
20 |
25 |
70 |
90 |
М48х3,0 |
М64х4,0 |
28 |
М24х1,5 |
100 |
130 |
12 |
14 |
Варианты сборки редукторов типа 1ЦУ-100, 1ЦУ-160, 1ЦУ-200, 1ЦУ-250:

Термическая мощность, кВт:
Типоразмер редуктора |
l1 |
l2 |
l3 |
l4 |
t1 |
t2 |
ЦУ-100 |
42 |
58 |
60 |
80 |
4,0 |
5,0 |
ЦУ-160 |
82 |
82 |
110 |
110 |
5,5 |
6,0 |
ЦУ-200 |
82 |
105 |
110 |
140 |
6,0 |
7,5 |
ЦУ-250 |
105 |
130 |
140 |
170 |
7,5 |
9,0 |
Типоразмер редуктора |
Номинальные передаточные числа |
2 |
2,5 |
3,15 |
4 |
5 |
6,3 |
ЦУ-100 |
Не лимитируется |
ЦУ-160 |
ЦУ-200 |
80 |
74 |
68 |
60 |
54 |
47 |
ЦУ-250 |
127 |
118 |
108 |
97 |
87 |
76 |
ТЕХНИЧЕСКИЕ ХАРАКТЕРИСТИКИ РЕДУКТОРОВ ТИПА 1ЦУ-100, 1ЦУ-160, 1ЦУ-200, 1ЦУ-250
Типоразмер редуктора |
Номинальный вращающий момент на выходном валу Мт , Н*м |
Допускаемая радиальная нагрузка, Н |
Объем заливаемого масла, л |
Масса кг |
на входном валу Fвх |
на выходном валу Fвых |
ЦУ-100 |
250 |
500 |
2000 |
1 |
27 |
ЦУ-160 |
1000 |
1000 |
4000 |
2 |
75 |
ЦУ-200 |
2000 |
2000 |
5600 |
4 |
135 |
ЦУ-250 |
4000 |
3000 |
8000 |
7,5 |
250 |
Приводная техника (мотор-редукторы, преобразователи частоты и устройства плавного пуска) отправляется покупателю транспортной компанией. По всем вопросам обращаться в офис.
Мы всегда рады видеть у себя наших старых партнеров и ждем новых.
Доставка во все регионы России!
|
 |
 |
|
|